0,16 €
0,13 €
0,07 €
0,06 €
PINOX – poteau de balustrade d'angle fi 42,4 mm non armé AISI 304 satiné
produit indisponible
ajouter à la liste de souhaits
0
Description
PINOX – poteau de balustrade d'angle fi 42,4 mm non armé AISI 304 satiné

Poteau de balustrade d'angle PINOX d'un diamètre de 42,4 mm et d'une hauteur de 881 mm est une solution prête pour les constructions de balustrades professionnelles aux endroits de changement de direction. Fabriqué en acier inoxydable AISI 304 avec finition satinée, il allie durabilité et esthétique moderne. La version non armée donne à l'installateur une liberté totale dans le choix des supports et accessoires — idéale pour les projets nécessitant des configurations atypiques.
Le poteau est destiné principalement à un usage intérieur. Avec un entretien approprié — nettoyage régulier et utilisation de produits de protection — il peut être utilisé avec succès à l'extérieur, à condition qu'il ne soit pas exposé à l'action forte du sel marin.
Version non armée — liberté totale de montage
Le poteau possède 8 trous taraudés M6 répartis sur 4 niveaux (2 trous par niveau, en configuration 2-M6×90°). Les trous taraudés permettent de visser n'importe quels supports pour barres, tubes ou verre — sans limitations d'usine. Cette solution est appréciée par les installateurs qui ont besoin de flexibilité pour adapter les éléments au projet individuel de balustrade.

Fixation stable au sol
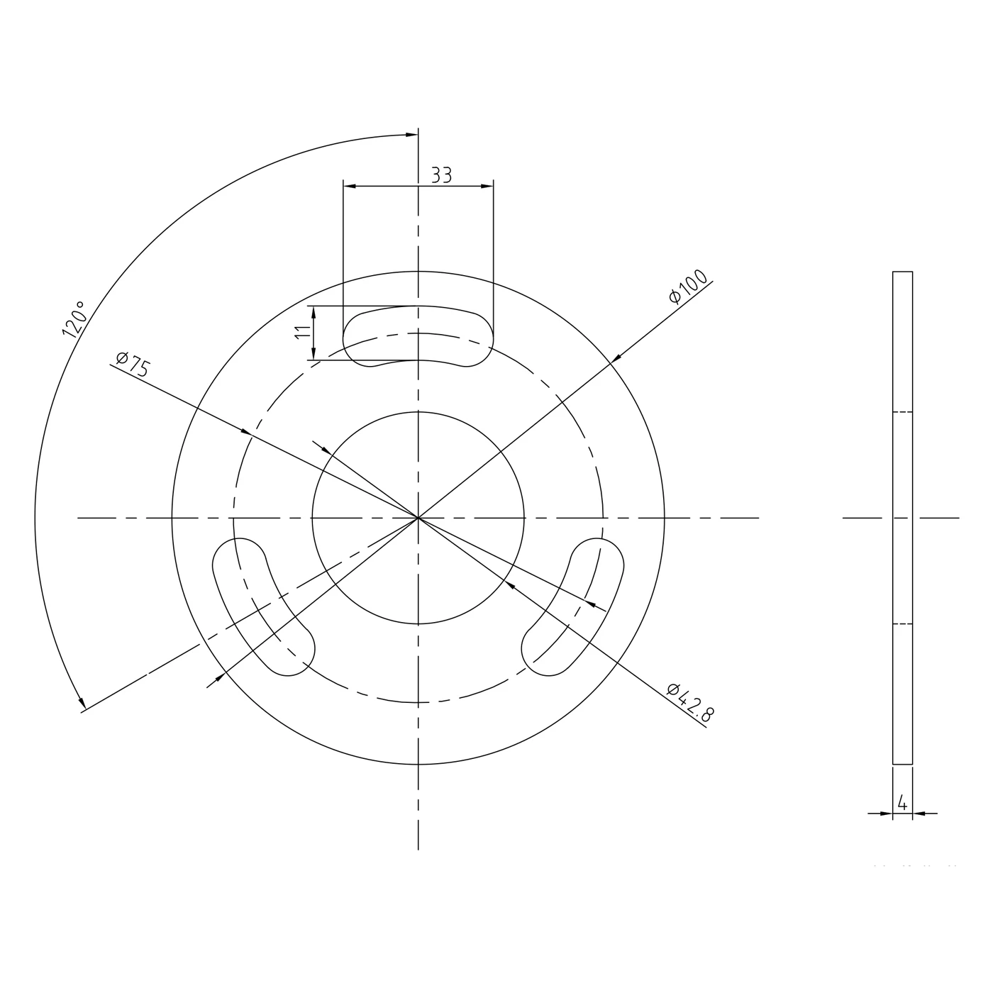
La base soudée (bride) d'un diamètre de ø100 mm et d'une épaisseur de 4 mm assure une connexion solide avec le support. Trois trous de montage ovales répartis tous les 120° sur un diamètre de répartition ø75 mm permettent un ancrage sûr. Les dimensions des trous de montage dans la bride sont de 33 × 11 mm, ce qui permet un serrage précis même sur un sol légèrement inégal.
Dimensions et paramètres techniques
- Fabricant : PINOX
- Type : d'angle, non armé
- Matériau : acier inoxydable AISI 304
- Finition : satiné
- Hauteur totale : 881 mm
- Diamètre du tube : ø42,4 mm
- Épaisseur de paroi du tube : 2 mm
- Trous de montage dans le poteau : 8 pcs taraudés M6 (4 niveaux × 2 trous)
- Entraxe des trous en vertical : 190 mm (entre niveaux)
- Distance de la base au premier niveau de trous : 200 mm
- Distance du dernier niveau de trous vers le haut : 111 mm
- Fixation : au sol (bride soudée)
- Diamètre de la bride : ø100 mm
- Épaisseur de la bride : 4 mm
- Trous dans la bride : 3 pcs ovales 33 × 11 mm, entraxe tous les 120°
- Diamètre du trou pour tube : ø42,8 mm
- Poids : 1,4 kg
- EAN : 5903313205450
Dessins cotés


Données techniques
| Matériau | AISI 304 |
| Finition | Satiné |
| Système de montage | 42,4 mm |
Sécurité
Tous les avis (positifs et négatifs) sont affichés, selon la limitation du nombre de plateformes. Nous vérifions qu'ils proviennent de clients qui ont acheté le produit. En savoir plus sur notre page des politiques de commentaires.