0,16 €
0,13 €
0,07 €
0,06 €
PINOX – poteau de balustrade d'angle ø 42,4 mm h981 mm acier inoxydable AISI 304 satiné
produit indisponible
ajouter à la liste de souhaits
0
Description
PINOX – poteau de balustrade d'angle ø 42,4 mm h981 mm acier inoxydable AISI 304 satiné

Le poteau d'angle PINOX est un élément de construction professionnel pour balustrades, conçu pour montage au sol. Fabriqué en acier inoxydable AISI 304 avec finition satinée, il offre une haute résistance à la corrosion et un aspect élégant qui convient aussi bien aux espaces intérieurs qu'extérieurs.
Le poteau est équipé de 4 trous filetés M8 usinés avec précision répartis en deux paires à 90°, permettant la fixation stable de supports pour barres ou tubes de remplissage de balustrade. La base de montage soudée de diamètre ø100 mm avec trois trous oblongs assure une fixation sûre et durable au sol. Le poteau est compatible avec le système de balustrade standard 42,4 mm.
Spécifications techniques
- Type : d'angle, non équipé
- Matériau : acier inoxydable AISI 304
- Finition : satinée
- Diamètre du tube : ø42,4 mm
- Épaisseur de paroi du tube : 2 mm
- Hauteur totale : 981 mm
- Trous de montage : 4 pcs avec filetage M8 (2 paires de 2 trous à 90°)
- Espacement vertical des paires : 610 mm
- Distance de la paire supérieure depuis le sommet : 121 mm
- Distance de la paire inférieure depuis la base : 250 mm
- Fixation : au sol
- Poids : 2,1 kg
- EAN : 5903313205498
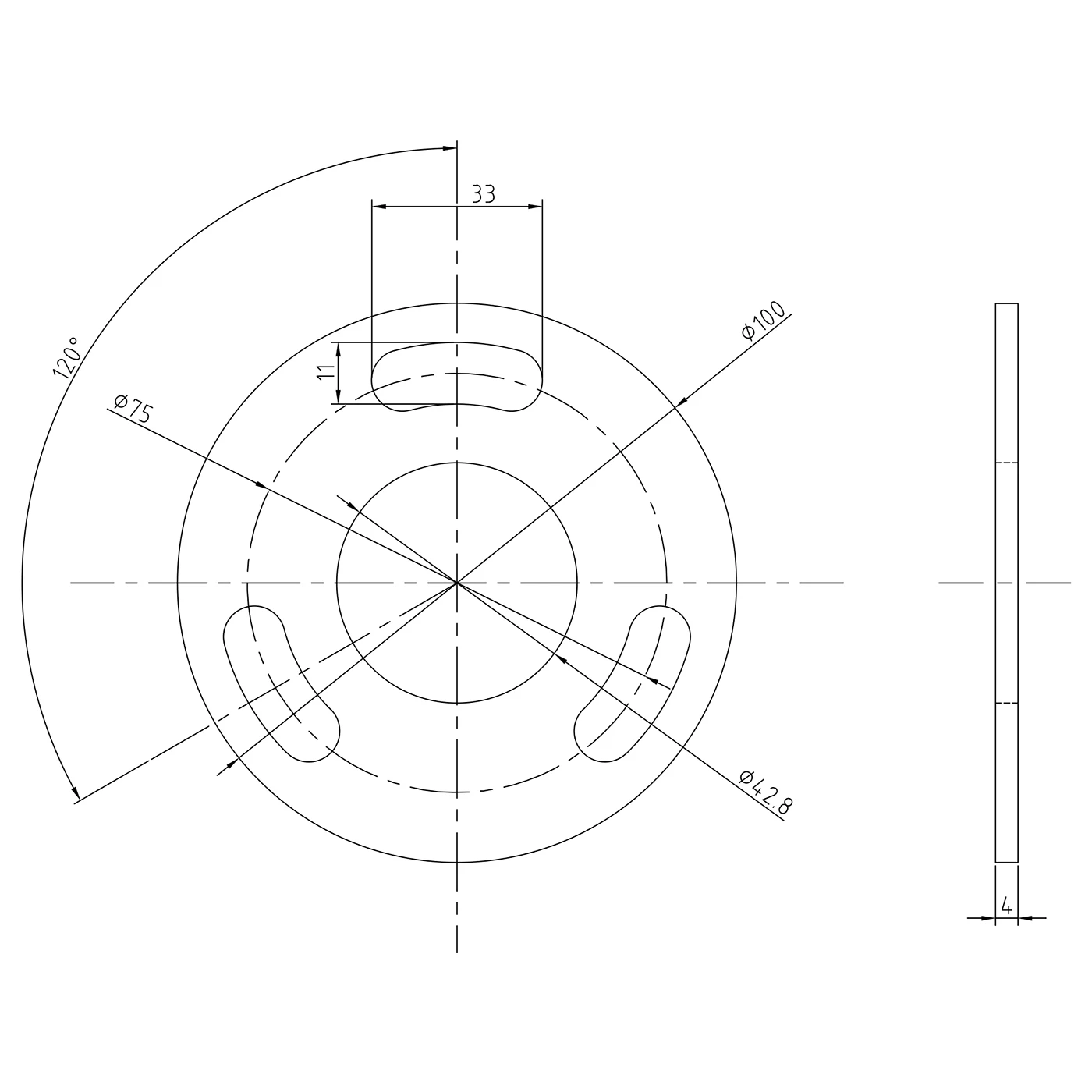
Dimensions de la base de montage (platine)

- Diamètre extérieur de la base : ø100 mm
- Diamètre du trou central : ø42,8 mm
- Épaisseur de la base : 4 mm
- Trous de montage : 3 trous oblongs (33 × 11 mm) sur diamètre de répartition ø75 mm, espacés de 120°
Dimensions du poteau — plan technique

Le plan montre la répartition des trous filetés M8 sur le poteau ainsi que les dimensions verticales clés. Les trous sont répartis en deux paires — la paire supérieure se trouve à 121 mm du sommet, la paire inférieure à 250 mm de la base, l'espacement entre les paires est de 610 mm. Le tube de section ø42,4 × 2 mm est soudé à une base de diamètre ø100 mm.

Application et entretien
Le poteau d'angle PINOX est destiné principalement aux applications intérieures — cages d'escalier, mezzanines, galeries ou bâtiments commerciaux. Il peut également être utilisé à l'extérieur avec un entretien régulier approprié. Il n'est pas recommandé de le monter à proximité directe de piscines, bassins ou dans des zones exposées à l'action intensive du sel marin.
Les trous oblongs de la base facilitent le nivellement précis du poteau pendant le montage, et la platine soudée élimine la nécessité d'utiliser des adaptateurs supplémentaires — il suffit de visser directement au sol. Ainsi, le temps d'installation est considérablement réduit, ce qui se traduit par une efficacité de travail supérieure de l'équipe de montage.
Données techniques
| Matériau | AISI 304 |
| Finition | Satiné |
| Système de montage | 42,4 mm |
Sécurité
Tous les avis (positifs et négatifs) sont affichés, selon la limitation du nombre de plateformes. Nous vérifions qu'ils proviennent de clients qui ont acheté le produit. En savoir plus sur notre page des politiques de commentaires.