0,16 €
0,13 €
0,07 €
0,06 €
Chariot roulant 70 pour portail suspendu 2 galets acier et 1 en plastique - base large
produit indisponible
ajouter à la liste de souhaits
Description
Chariot roulant 70 pour portail suspendu – 2 galets en acier + 1 en plastique
Le chariot roulant 70 pour portails suspendus est un élément de roulement robuste et précis, conçu pour les systèmes de rail 70 × 70 mm. Grâce à l'utilisation de deux galets en acier et d'un galet en plastique, il assure un déplacement fluide et silencieux du vantail — la combinaison de ces matériaux minimise efficacement le frottement, la résistance au roulement et le niveau sonore lors du fonctionnement. La surface zinguée protège le chariot contre la corrosion, ce qui le rend adapté aussi bien à l'intérieur des halls qu'à l'extérieur, dans des conditions atmosphériques variables.

La large embase aux dimensions 180 × 80 mm garantit une répartition stable et uniforme des forces exercées sur le chariot lors du mouvement du portail. Le vantail ne subit ainsi ni vibrations ni basculements, ce qui est particulièrement important pour les portails industriels lourds. Le montage de l'embase s'effectue à l'aide d'orifices de fixation permettant un vissage sûr sur la structure du portail.
Les galets porteurs sont montés sur roulements, ce qui garantit un fonctionnement durable sans entretien et une usure minimale. Le galet de guidage en plastique remplit une fonction de stabilisation — il maintient le chariot dans l'axe du rail et élimine les jeux latéraux, tout en amortissant les vibrations et en réduisant le bruit.

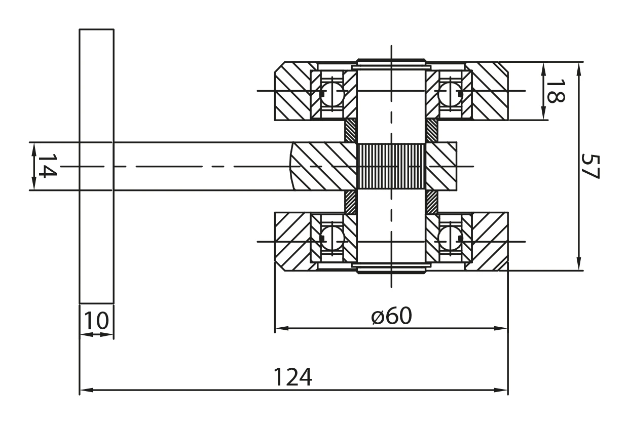
Dimensions et données techniques
- Système de rail : 70 × 70 mm
- Type de portail : suspendu
- Galets : 2 en acier + 1 en plastique
- Diamètre du galet porteur : ø60 mm
- Largeur du galet porteur : 18 mm
- Entraxe extérieur des galets porteurs : 57 mm
- Diamètre de l'axe : 14 mm
- Épaisseur du galet de guidage (plastique) : 10 mm
- Hauteur du chariot (H) : 124 mm
- Longueur de l'embase (L) : 180 mm
- Dimensions de l'embase : 180 × 80 mm
- Finition de surface : zinguage
- Poids : 2,82 kg
- EAN : 5901289670029
Avantages pour l'installateur
- Le zinguage assure une résistance à la corrosion — durée de vie prolongée et absence d'entretien supplémentaire
- La combinaison des galets en acier et du galet en plastique garantit un fonctionnement silencieux et fluide du portail
- La large embase de montage assure stabilité et répartition uniforme des charges
- Les galets porteurs sur roulements offrent une exploitation sans entretien sur le long terme
- Application universelle — pour montage intérieur et extérieur
Ładowanie tabeli porównawczej...
Ładowanie galerii...
Données techniques
| Taille du rail de guidage | 70x70x4 |
| Type de produit | Chariot individuel |
| Matériau des galets | Acier |
| Nombre de galets [szt.] | 3 |
| Construction du chariot | Fixe |
| Type de système de roulement | Système suspendu |
Sécurité
Tous les avis (positifs et négatifs) sont affichés, selon la limitation du nombre de plateformes. Nous vérifions qu'ils proviennent de clients qui ont acheté le produit. En savoir plus sur notre page des politiques de commentaires.